

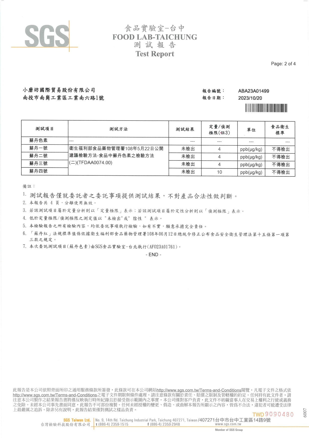
辣椒粉檢驗報告書-Q心豆干.黑豆干.椒麻豆丁2024/3/12
請注意!本公司人員不會主動致電要求您前往ATM解除任何設定、不會有簽錯簽單,重複訂購之事由,一定是詐騙,請立即掛斷或撥打165反詐騙專線。相關反詐騙訊息可至165官網查詢:https://165.npa.gov.tw/
常見的詐騙話術:
疏失設定成批發商、簽單簽錯、疏失升級為VIP、疏失設定為分期付款將被連續扣款,如不需要者,要去ATM解除設定才不會被扣款。
本公司全面採「貨到付款」,不會主動要求客人操作ATM解除設定或匯款